使用方程式和配置进行 SOLIDWORKS 高级零件设计
使用方程式和配置进行 SOLIDWORKS 高级零件设计
文章来源:SOLIDWORKS代理商-卓盛信息
	
本文介绍了使用方程式和配置创建汽车车轮/轮辋的 SOLIDWORKS 高级零件设计技术。通过这些技术,我只需进行一些尺寸变化就可以生产多种尺寸的轮辋。
我对一家德国汽车公司有一定的好感。德国汽车在性能、舒适性和可靠性方面往往优于竞争对手。不过,这是有代价的,我不得不在狭窄的发动机舱中更换水泵,其中充满了直列 6 缸和涡轮增压器……两次!
当您查看汽车上的轮胎时,会看到一堆数字,这些都是现场规定的某种方式。以我的车为例,主要的较大数字是 255/35/18。这意味着轮圈直径(高)为 18 英寸,轮胎宽度为 255 毫米。侧壁以高度与宽度的百分比来描述;就我而言,宽度为 35% 或 89 毫米或 3.5 英寸。轮胎无法提供的唯一尺寸是偏移量。偏移量是从轮辋安装到车轮的位置开始的测量值。例如,有时这需要正偏移(靠近挡泥板)以克服大制动卡钳,或需要负偏移(朝向汽车中心)以获得更好的空气动力学性能。上海SOLIDWORKS
设计意图
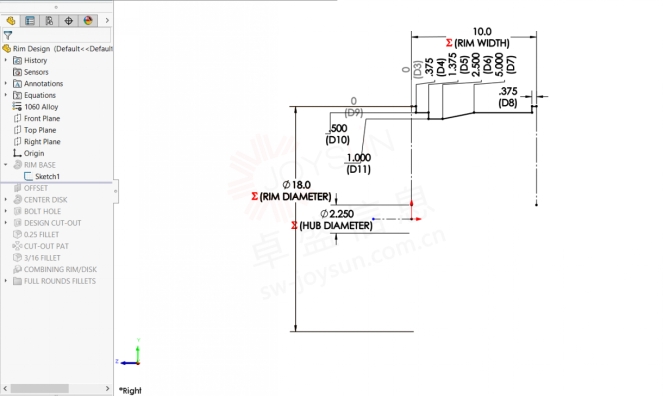
设计轮胎轮辋需要一些设置,因此这是我的第一个草图,它将用于旋转特征以创建基本形状。请注意,我已命名了“轮辋宽度”、“轮辋直径”和“轮毂直径”的主要尺寸:
轮圈设计关键尺寸
旋转草图得到基本的外缘形状,如下所示。您会注意到我内置了一些方程,稍后我们将更详细地讨论这些方程。第二个功能是尝试决定有多少曲线以及什么看起来最好。这是通过“中心盘”特征的曲率来完成的,这可能是该部分最难的区域。
旋转轮圈特征
其余的是非常基本的切割拉伸、圆角和图案。下面显示的是随后获得圆形图案的拉伸切割草图。
圆形图案的拉伸切割草图
使用配置
我的目标是让这个默认部件为其他类似部件提供动力,所以我想进行几种配置。只要您对尺寸有实际的了解,使用方程式可以帮助我快速进行修改。我不希望这个轮圈直径为 30 英寸并且仍然可以使用,但是这个 18 英寸轮圈可以制成 22 或 16 英寸,这是肯定的。
轮圈设计方程
当我进行配置时,我喜欢在一个标题下进行子配置。因此,在本例中,我使用轮辋直径作为标题,并在其下方添加任何修改。SOLIDWORKS价格
使用方程式
有了方程就可以轻松进行尺寸转换。更改尺寸时,您必须指定要更改的配置。警告!如果您不指定 - 它将更改所有配置。您会看到我用宽度、偏移和螺栓孔圆标记了它们。这些是轮圈变化的常见尺寸。
绘图创作
在制作快速绘图时,我选择所需的配置,更改设置并添加尺寸。然后我将另一组复制并粘贴到右侧。最后,我更改了我想要的配置,并更新了注释和尺寸。这也可以通过复制工作表并切换配置在新工作表上完成。
零件配置
一如以往,谢谢阅读,快乐阳光!——SOLIDWORKS代理商(SOLIDWORKS 2023)
	
 
微信公众号二维码 QQ技术交流群二维码
	
- 上一篇:没有啦
 - 下一篇:卓盛信息SOLIDWORKS 2024发布会活动 圆满成功! 2023/11/29
 





